| |
| Home
> Products info > COOLANT FILTERING SYSTEM > Central
Coolant System |
 |
| |
 |
| |
|
| |
| |
| |
 |
| |
 |
It
can be used for water-soluble or water-insoluble
coolant filtering of all machine tools.
It
can be used in rough grinding and finishing line
of all nonmagnetic machine tools.
(However,
the length of chip is more than 200 mm, separate
negotiation is required) |
| |
 |
| Because the filter
allowing precision filtering is located at the outer
circumference of revolving rotary drum, the dirty
coolant induced from machine is filtered by filter.
After that, clean water is sent to clean tank via
the inside of drum and chip and other floating matters
are discharged to external chip box by CONV' SCRAPER.
In order to prevent the surface of filter from being
clogged with sludge and floating matters, additionally
installed washing unit performs continuous washing.
Like that, clean liquid is always supplied through
continual filtering and washing so filter can be
maintained cleanly. |
| |
 |
Because
it has a simple structure as an integral type combining
CONV' and DRUM, installation area is small and running
cost is low.
In
order to prevent drum filter(mesh media) from being
clogged, washing unit is attached so it is possible
to use filter (mesh media) for a long time.
If
specially manufactured magnet plate is installed
in the bottom of CONV', steel and FC chip can be
filtered. |
| |
 |
It
can be adjusted from 300§¤/min to 11,000§¤/min.
(If
several filters are used, its capacity is over 11,000§¤/min
) |
| |
 |
COOLER,
cutting oil sterilization unit, AERATION unit. |
| |
 |
 |
| |
 |
| |
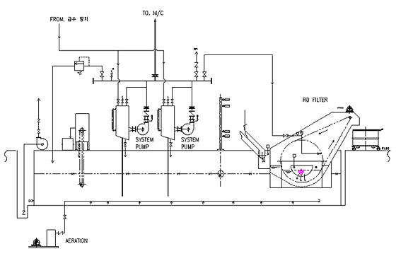
Application
example 1 : When RD FILTER 1EA is used : (300§¤/min
~ 11,000§¤/min) |
 |
| |
| |
| |
Àû¿ë»ç·Ê
2 : RD FILTER º´·Ä »ç¿ë(11,000§¤/min ~ ) |
 |
| |
|
|
| |
|
|