| 1. Structure and characteristic |
| |
| ¡Ý Purpose : |
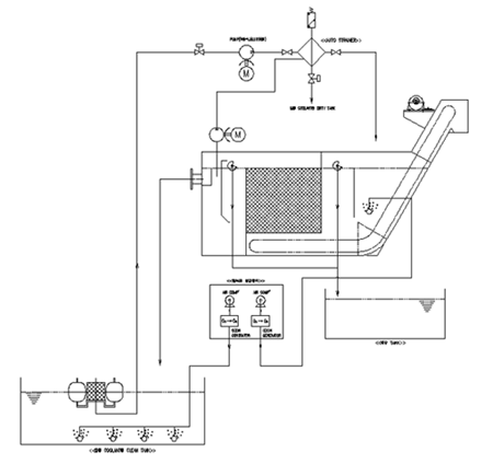
It is applied to cutting oil tank for concentrated
coolant system, in which a lot of waste |
| |
oil and floating sludge are generated. |
| |
|
| ¡Ý Structure : |
Waste oil and other matters floated in clean
tank is pumped and induced by the pump of |
| |
floating skimmer.
Pumped sludge is separated and filtered by
centrifugal separator or Mg separator located
in the inlet of oil & water separator
and pumped waste oil is separated from water-soluble
cutting oil inside oil & water separator.
After the process, waste oil is discharged
to waste oil box and clean water is drained
to clean tank again.
In addition, the fine sludge settled in the
bottom of oil & water separator in the
process is discharged to the outside by scraper
conveyor. |
| |
|
| ¡Ý Characteristic : |
It is possible to remove waste oil and
other floating matters at the same time. |
| |
In case of AL cutting line, it displays
outstanding performance in the removal of
scum and sludge floating on clean water. ¡¡
In case of FC cutting line, it displays outstanding
performance in the removal of carbon powder
floating on clean water. |
|
| |
| 2. TYPE BY WORK MATERIAL (FLOW SHEET) |
| |
| 1) AL(nonferrous) material |
| |
 |
| |
| 2) STEEL(FC, Forged steel, S45C) material |
| |
 |
| |
| 3. Structural Part : |
A FIOATING SKIMMER
B. OIL & WATER SEPARATOR
C. AUTO SEPARATOR & Mg SEPARATOR.
D. CUTTING OIL SETERILIZATION UNIT AND CONTROL PANEL
E. SUCTION PUMP.
F. WASTE OIL TANK
G. SLUDGE BOX.
H. CUTTING OIL AND WASTE OIL PIPE |
| |
| 4. Painting spec |
Main body : 2 times
of heat treatments in »ó, Çϵµ
Others : 1 times of heat treatments in »ó, Çϵµ
Color : To be appointed by your company |